在工業制造領域,圖紙是生產制造的關鍵依據,而氣泡圖對于精準把控產品尺寸和質量起著至關重要的作用。一直以來,德力測控泡泡圖軟件憑借強大的功能,為企業解決圖紙處理難題,助力提升生產效率和質量控制水平。現在,好消息傳來,德力測控泡泡圖軟件新增三維圖紙識別標注氣泡圖功能,再次為行業帶來驚喜!

此前,軟件在二維圖紙處理方面表現卓越,能一鍵框選,自動生成氣泡圖,支持cad、dxf、pdf等多種格式圖紙導入,還可對尺寸進行備注,生成不同顏色或樣式氣泡圖,并一鍵導出數據生成表單 ,深受用戶好評。如今新增的三維圖紙識別標注氣泡圖功能,更是如虎添翼。

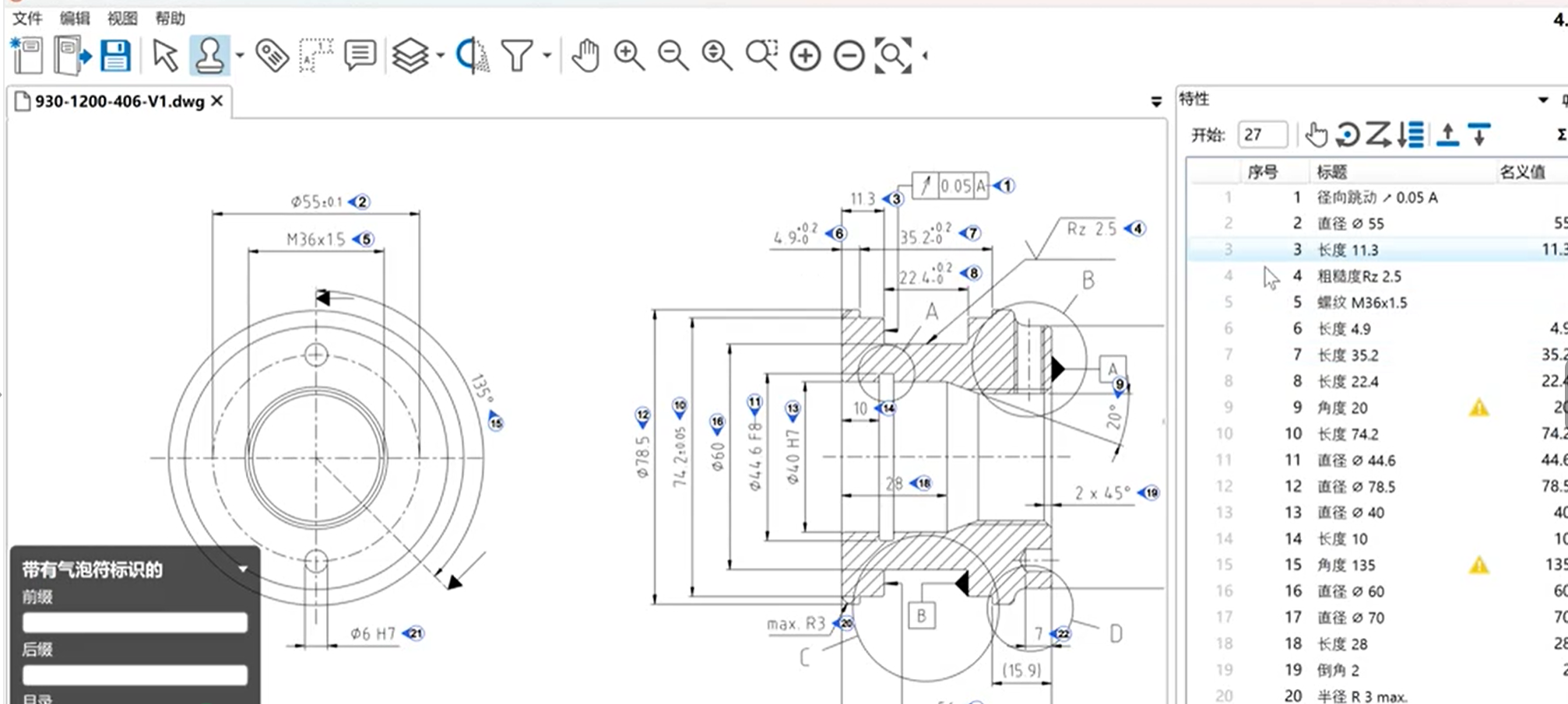
操作上,它與二維圖處理一樣簡單便捷。打開泡泡圖軟件,新建檢驗計劃版本后導入三維模型(如STEP格式三維模型) ,一鍵框選所有待測尺寸,所有檢驗尺寸便會直觀呈現在表格里。對于不需要控制的尺寸,可輕松刪除。完成標注后,調整好的氣泡圖能一鍵導出生成檢測報告,整個過程高效流暢。



這一功能的上線,為機械設計、質量控制等相關工作帶來極大便利。以往在處理三維圖紙時,標注氣泡圖困難重重,如今德力測控泡泡圖軟件讓難題迎刃而解,無論是復雜的機械零件設計,還是嚴格的質量檢測環節,都能輕松實現三維圖紙標注,提高工作效率,降低出錯率。
如果您還在為三維圖紙標注氣泡圖而煩惱,不妨試試更新后的德力測控泡泡圖軟件,體驗全新功能帶來的高效與便捷。

地址:北京市海淀區中關村紫金數碼園3號樓709室
網站:www.ad56888.com
電話:010-59796778
電郵:office@dailyaid.com.cn
傳真:010-62662785
郵編:100190
投訴電話:010-62006678
掃一掃關注我們
企業抖音號
電話:021-61170819/20-802
傳真:021-61170819
地址:上海市寶山區聯誼路398號1號樓137室
郵編:200431
電話:022-86570798
傳真:022-86570798
地址:天津市北辰區小街新苑路融創東岸名郡
電話:029-89195270
傳真:029-89195271
地址:陜西省西安市蓮湖區漢城路旭弘同德國際C座1418室
電話:028-84313165
傳真:028-84313165
地址:四川省成都市成華區玉雙路10號13幢1單元9樓35號(中國測試技術研究院內)
Tel: +86-10-5979 6778 ext 207
Fax: +86-10-6266 2785
Email: market@dailyaid.com.cn
電話:010-62662784
傳真:010-62662785
郵箱:office@dailyaid.com.cn